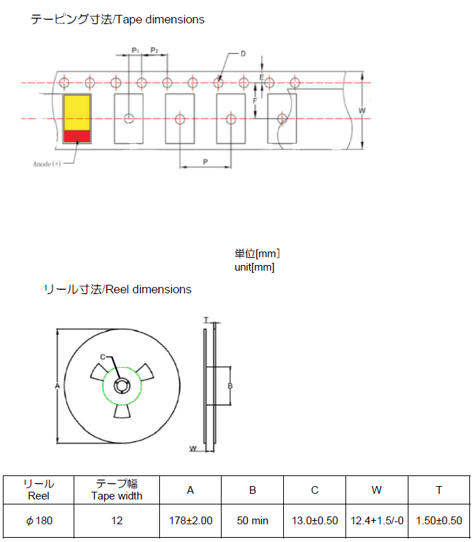
テーピング仕様
テーピング数量・リール寸法
チップタンタルコンデンサ
■定格:251型Mシリーズ, TCB型
| ケース記号 | ケースサイズ | W (mm) | F (mm) | E (mm) | P1 (mm) | P2 (mm) | P0 (mm) | ΦD0 (mm) | 包装数/リール(個) | |
| Φ180 | Φ330※1 | |||||||||
| U | 1.0×0.5 | 8.0±0.3 | 3.5±0.05 | 1.75±0.1 | 2.0±0.05 | 2.0±0.05 | 4.0±0.1 | 1.55±0.03 | 10,000 | – |
| M | 1.6×0.8 | 4.0±0.1 | 1.5+0.10 | 3,000 | 15,000 | |||||
| S | 2.0×1.25 | 10,000 | ||||||||
| A | 3.2×1.6 | – | ||||||||
※1. 251 type only.
■定格:267型Mシリーズ,267型Eシリーズ,267型Pシリーズ,271Nシリーズ,279型Mシリーズ,281型Mシリーズ,281型Eシリーズ
| ケース記号 | ケースサイズ | W (mm) | F (mm) | E (mm) | P1 (mm) | P2 (mm) | P0 (mm) | D0 (mm) | 包装数/リール(個) | |
| Φ180 | Φ330 | |||||||||
| A | 3.2×1.6 | 8.0±0.3 | 3.5±0.05 | 1.75±0.1 | 4.0±0.1 | 2.0±0.05 | 4.0±0.1 | Φ1.5+0.10 | 2,000 | 9,000 |
| B | 3.5×2.8 | 8,000 | ||||||||
| C3 | 6.0×3.2 | 12.0±0.3 | 5.5±0.05 | 8.0±0.1 | 500 | 3,000 | ||||
| D3 | 7.3×4.4 | 5.7±0.05 | 1.5±0.1 | 2,500 | ||||||
| H | 7.3×4.4 | 5.7±0.1 | 1,500 | |||||||
| E | 7.3×5.8 | 5.5±0.05 | 1.75±0.05 | 2,000 | ||||||
■定格:267型Nシリーズ、TCA型
| ケース記号 | ケースサイズ | W (mm) | F (mm) | E (mm) | P1 (mm) | P2 (mm) | P0 (mm) | D0 (mm) | 包装数/リール(個) | |
| Φ180 | Φ330 | |||||||||
| A | 3.2×1.6 | 8.0±0.3 | 3.5±0.05 | 1.75±0.1 | 4.0±0.1 | 2.0±0.05 | 4.0±0.1 | Φ1.5+0.10 | 2,000 | 9,000 |
| B | 3.5×2.8 | 8,000 | ||||||||
| C | 6.0×3.2 | 12.0±0.3 | 5.5±0.05 | 8.0±0.1 | 500 | 3,000 | ||||
| D | 7.3×4.4 | 5.7±0.05 | 1.5±0.1 | 2,500 | ||||||
回路保護素子
■定格:JAE型、JAG型、JAG型Nシリーズ、JAJ型、JAJ型Nシリーズ、JAK型、JAK型Nシリーズ、JHC型、JHC型Nシリーズ、KAB型、KAB型Nシリーズ、KAB型Mシリーズ、KAB型Tシリーズ、KVA型、KVA型Nシリーズ
| ケース記号 | ケースサイズ | W (mm) | F (mm) | E (mm) | P1 (mm) | P2 (mm) | P0 (mm) | D0 (mm) | 包装数/リール(個) | |
| Φ180 | Φ330 | |||||||||
| 29 | 1.6×0.8 | 8.0±0.3 | 3.5±0.05 | 1.75±0.05 | 4.0±0.1 | 2.0±0.05 | 4.0±0.1 | Φ1.55±0.03 | 5,000 | – |
| 31 | 2.0×1.25 | – | ||||||||
| 52 | 3.2×1.6 | 1.75±0.1 | Φ1.5±0.1 | 2,000 | – | |||||
| 44E | 7.3×5.8 | 12±0.3 | 5.5±0.05 | 8.0±0.1 | Φ1.5+0.10 | 500 | 1,500 | |||
| 59F | 11.0×7.3 | 24±0.3 | 11.5±0.05 | 12.0±0.1 | – | 500 | ||||


チップタンタルコンデンサ
■定格:TCD型
| ケース記号 | ケースサイズ | W (mm) | F (mm) | E (mm) | P (mm) | P1 (mm) | P2 (mm) | ΦD0 (mm) | 包装数/リール(個) | |
| Φ180 | ||||||||||
| B | 3.5×2.8×2.1 | 8±0.30 | 3.5±0.05 | 1.75±0.10 | 4±0.10 | 4±0.10 | 2±0.10 | 1.55±0.20 | 2,000 | |
| D | 7.3×4.3×2.8 | 12±0.30 | 5.5±0.05 | 1.75±0.10 | 4±0.10 | 8±0.10 | 2±0.10 | 1.55±0.20 | 500 | |

製品・技術に関するお問い合わせはこちら


